Shenyang Dapeng Heavy Equipment Technology Co., Ltd
EN
Главная> Каталог> Щековая дробилка> Щековая дробилка PEF (дробилка для горных пород)
Щековая дробилка PEF (дробилка для горных пород)
Щековая дробилка PEF (дробилка для горных пород)
Щековая дробилка PEF (дробилка для горных пород)
Щековая дробилка PEF (дробилка для горных пород)

Щековая дробилка PEF (дробилка для горных пород)

Описание продукта
Упаковка и доставка
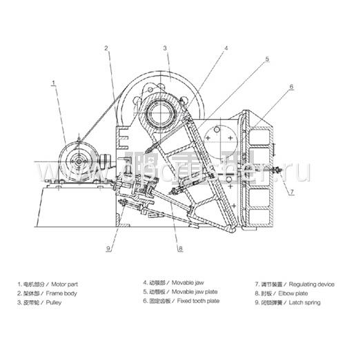
Щековая дробилка PEF также является конусной дробилкой с пружинной защитой, которая открывает новую концепцию дробления материалов. Это идеальное оборудование по принципу «дробления больше для измельчения меньше», обладающее такими характеристиками, как высокая производительность, мелкий размер продукта, хорошая форма частицы продукта, легкий вес оборудования, удобное обслуживание и простая эксплуатация. По таким параметрам, как производительность, равномерность размера продукта, тонкость продукта, срок службы изделий, коэффициент эксплуатации и затраты на техническое обслуживание превосходит конусные дробилки с пружинной защитой.
 
Щековая дробилка PEFb0b43aac811a7004c72ac2c977439ffc1561bf1c
 
 
Преимущества продукта
 
1. Высокая стабильность и надежность.
Подвижное кольцо изготовлено из высококачественной литой стали, а тяжелый эксцентриковый вал обработан из кованой заготовки, что обеспечивает стабильную работу щековой дробилки. По сравнению с другими дробилками аналогичного размера, мы используем более крупные и долговечные подшипники эксцентрикового вала, что повышает их нагрузочную способность и гарантирует надежность.
 
2. Передовые технологии и длительный срок службы.
Использование лучших производственных технологий и передового цифрового оборудования для обработки деталей обеспечивает высокую плотность изделий и деталей машины. Выбор качественных материалов значительно повышает устойчивость к давлению и износостойкость, что существенно увеличивает срок службы оборудования.
 
 
3. Простая конструкция и удобное обслуживание.
Благодаря постоянным улучшениям и оптимизации, конструкция машины была упрощена при обеспечении производительности машины. Это делает эксплуатацию и обслуживание более удобными, а также значительно сокращает время простоя для ремонта.
 
4. Высокая производительность и хорошая форма продукта.
Применение передовых принципов дробления значительно увеличивает долю кубических частиц в продукте, уменьшает количество игольчатых частиц и обеспечивает более равномерный размер готового продукта.
 
 
Щековая дробилка PEF
 
Горячие продукты
Главная> Каталог> Щековая дробилка> Щековая дробилка PEF (дробилка для горных пород)
  • Запрос

Copyright © 2026 Shenyang Dapeng Heavy Equipment Technology Co., Ltd Все права защищены.

Запрос
*
*
*

We will contact you immediately

Fill in more information so that we can get in touch with you faster

Privacy statement: Your privacy is very important to Us. Our company promises not to disclose your personal information to any external company with out your explicit permission.

Отправить